箱梁架设专项方案,推荐收藏!
(1)测量放线
根据实际放出的线路中心线和墩中心线里程,在桥墩顶面放出每孔箱梁的纵向中心线及其端线,以及支座中心点等,根据实际放出的线路中心线和墩中心里程,在盖梁支座垫石混凝土达到强度后测量放出板端位置横线及支座中心位置和底部轮廓线,在梁端位置横线上定出各梁底部边缘的点,为梁的安装做好准备。对施工区域进行封闭,保证安全。
(2)架设箱梁采用双导梁架桥机进行
①采用1台100t双导梁架桥机、1台100t炮车进行运架梁施工。该架桥机能够满足架设30m预应力砼整孔箱梁,主要结构形式为采用双导梁简支架设。架桥机在王河洛河特大桥17#~19#墩之间拼装调试。
②箱梁的安装顺序为:先两边,后中间,即应先安装架桥机跨以外的两边箱梁,再安装跨内不需墩顶横移安装的中间部分箱梁。

在吊安过程中,应保证吊具的强度和刚度绝对满足要求。尽量做到操作连续性和平稳性。
③ 架桥机拼装:架桥机拼装按照先支腿、后主导梁、最后台车及机电系统的顺序进行,在安装完成后,必须进行调试,105%满荷载试验后方可进行箱梁安装施工。
(3)箱梁运输
箱梁砼达到强度,张拉压浆完毕,且管道压浆强度达到规范要求后,利用龙门吊将预制好的箱梁吊至运梁炮车上,及时在炮车上斜撑支起,支撑稳固且看无任何变化时才松钩,梁体加固好后,然后炮车将梁运输至安装位置,炮车运输应匀速、平稳,并时刻观察箱梁的变化(尤其是倾斜度),及时发现问题,及时处理。
(4)箱梁安装
① 喂梁:炮车将箱梁运至架桥机下,架桥机天车开至相应位置进行吊装。
② 捆绑梁:在预留吊装位置孔内安装吊带及底托梁,起吊时先应慢速,当箱梁离开地面后,架桥面两侧要同步升降,使箱梁在起吊的过程中保持水平;架桥机运梁时应严密监视是否同步,否则应及时采取措施。
③ 落梁:架梁前即放出每个支承垫石的横向、纵向中心线及梁端横向、纵向中心线,安好临时支座,当梁运至横向、纵向中心线与支承垫石横向、纵向中心线重合后落梁。
④ 临时支座设置与安装
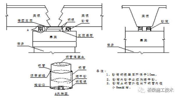
本工程箱梁均为先简后连续箱梁,箱梁安装时均需安放在临时支座上,待墩顶连续张拉,压浆强度达到设计强度后,拆除临时支座,使连续箱梁支承在永久支座上,临时支座采用砂筒,砂筒如图4-3-2-3所示。

临时支座(砂筒)施工示意图
⑤ 安装要求及稳定安全措施
架桥机在王河洛河特大桥17#~19#墩处拼装调试。沿新修通往17#墩处便道用100t炮车将梁运输至桥墩处进行喂梁安装。调试完成后从右线17#(16#墩)开始向0#桥台方向架设右线箱梁。架桥机到达0#台路基后,炮车驮运架桥机在填方路基上掉头,并平移至0#台路基左线处安装调试,安装调试完成后继续架设左线0#~61#台(大里程方向)间的箱梁。左线箱梁架设完成后炮车驮运架桥机到达17#墩处换位安装调试,从19#台依次向64#桥台(大里程方向)架设王河特大桥右线箱梁。最后架设17#至19#墩箱梁。2#架桥机架设496片箱梁。
a. 边梁和次边梁的安装:
边梁和次边梁的安装是整跨安装的重点和难点。一跨安装时,首先起吊边梁,临时安放在第二片梁的位置,待梁体落到临时支座上稳定后,用锤球吊线检测箱梁两端头竖向是否垂直(垂直度≤1.2%)。如果不垂直,箱梁须再次起吊,直到垂直为止,临时加固边梁。
架桥机桁架运行至边梁顶,用φ43钢丝绳套索设置吊点,经检查无误,将油缸上行至索具受力后,再除去边梁临时固定,架桥机单桁架顶撑油缸受力起吊。吊起边梁向外行至已安好的临时支座卸荷块上方,经检查梁体中心线与支座中心重合后,梁体下落就位,加固边梁。同理安装次边梁。
b. 中梁安装:中梁安装需在边梁和次边梁安装好后进行,安装要求和加固同次边梁临时安装一样,这里不再详述。
c. 箱梁顶标高控制:在箱梁安装但未加固时,用水准仪测试箱梁顶标高,如果因砂筒沉降而偏低,可以在砂筒顶垫钢板,钢板厚度由顶标高控制。
d. 架桥机过跨
待一跨安装好后,架桥机向前推进,以便安装下一跨。
● 后支架前移:先垫好后支腿下垫木,用水平尺超平,使后支腿压在垫木上,后横轨离开桥面(其高度能保证后台车及其横轨一次前移10m)。开动后电葫芦前行,当后摇滚台车行至距主导梁前端10m时停止。将后摇滚台车落于桥面且落实。
● 主导梁前移:确认摇滚架上与导梁无挂联,同时启动前后摇滚和导梁上两纵移台车,使导梁前移(当辅支腿到达前桥台时停止),纵移台车后移(两纵移台车移至尾部停止)。
● 桥机转角:架桥面转角原理是靠调整导梁下弦与前摇滚上两平滚的间隙来实现的。因此,架桥面转角时,开动后横移台车向右幅横移,直至前摇滚上导梁下弦与两平滚无间隙时停止。将中支腿顶出,使前部横轨离开枕木。调整前摇滚架与导梁纵向垂直,再顶出前支架至前部横轨落实于枕木上。这时桥面恢复转角前的状态。如果转角满足不了架桥要求,可再重复以上动作,直至桥机摆正为止。桥面转角是曲线桥安装的重点。
● 前后支架前移就位:顶出中支腿,使前台车及横轨离开桥台。然后前支架整体前移,直至前台车行至前桥台落梁一边上方时止。辅支腿缩回至前台车枕木能够落实于桥台上。注意,前支架固定时要与前桥台平行。然后顶出中后支腿,至后支架便于前移为止。
● 主导梁前移就位:同时启动前后摇滚,使导梁前移。当主导梁前端距其后的前支架中心1m左右时停止。然后将前后摇滚架与导梁索紧。
架桥面过跨后先检查各部件运转情况。如一切正常后,即可试吊梁,准备安装下一跨。
⑥ 安装质量标准见下表
箱梁安装质量标准

(5)箱梁连续施工
根据设计要求,待全桥或多跨箱梁安装完毕后(根据设计要求),将梁板翼缘、隔板湿接连接,再根据设计要求,实行墩顶连续,墩顶连续时,将墩顶两跨梁板端头预埋钢筋连接,再绑扎箍筋,钢筋制作、加工,连接必须符合设计及规范要求,待钢筋工程经监理工程师检验后方可支模浇筑混凝土。
墩顶连续处为桥梁受力关键部位,此处湿接缝混凝土为膨胀混凝土,混凝土配制作必须严格按设计要求进行。
墩顶连续预应力工程按规范执行,待强度达到95%以上时进行负弯矩预应力筋张拉压浆,其控制要求同箱梁。待本联顶板负弯矩预应力筋张拉压浆完毕强度达到70%以上时,本联即可拆除临时支座,完成体系转换,解除临时支座时,特别注意严防高温影响橡胶支座质量。

最新报道
- 交通运输部办公厅 公安部办公厅 财2024-09-09
- 交通运输部关于发布《公路水运工程2024-09-09
- 国家防汛抗旱总指挥部办公室关于进2024-09-09
- 住房城乡建设部关于发布《近零能耗2024-09-09
- 住房城乡建设部关于发布《建筑碳排2024-09-09
- 住房城乡建设部关于发布《建筑与桥2024-09-09